Zhengyue Example Of Standardized OEM Plastic Glass MachineFeatures: User friendly: Easy nozzle alignment after injection carriage improved. Easy care and maintenance.Precision: high optimistic mechanical structure with high-tech controller, greatly increase machine service life and precise.Speedy: ......
| ZX-400 | Injection Unit Date | A | B | C | |
| Screw diameter | mm | 70 | 75 | 80 | |
| Screw L/D ratio | / | 21.4 | 20 | 18.7 | |
| Theoretical shot volume | cm3 | 1443 | 1657 | 1885 | |
| Shot weight(PS) | g | 1328 | 1524 | 1734 | |
| Injection rate | g/s | 361 | 414 | 471 | |
| Max.screw speed | rpm | 170 | |||
| Clamping Unit | |||||
| Clamping force | KN | 4000 | |||
| Toggle stroke | mm | 720 | |||
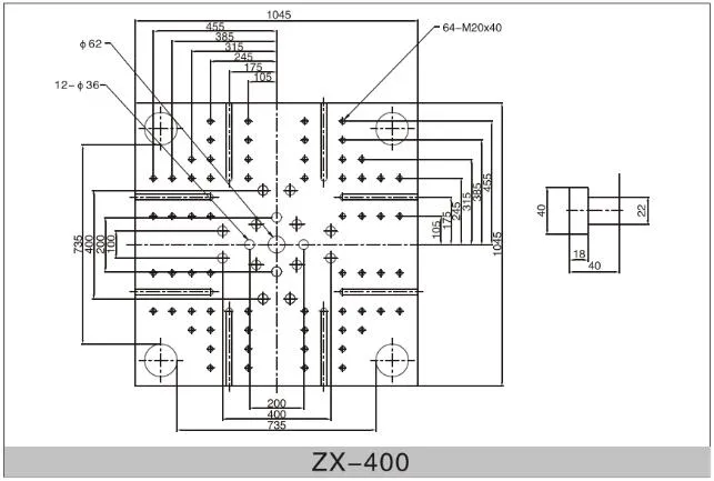
| Space bettween tie bars | mm | 735x735 | |||
| Min.mold thickness | mm | 250 | |||
| Max.mold thickness | mm | 750 | |||
| Hydraulic ejection stroke | mm | 200 | |||
| Hydraulic ejection force | KN | 91 | |||
| Others | |||||
| Hydraulic system pressure | Mpa | 17.5 | |||
| Pump motor | kw | 47 | |||
| Heating capacity | kw | 28 | |||
| Oil tank capacity | L | 800 | |||
| Machine dimensions | m | 7.6x1.7x2.6 | |||
| Machine weight | Ton | 13.6 | |||




Bullet Garment String Seal Hang Tags Injection Moulding Machine
Automatic Dental Floss Sticks Hydraulic Injection Molding Machine
High Quality LSR Air Filter Injection Moulding Equipment in China
Double Slide Table Air Filters Plastic Injection Molding Machine Equipment
High Speed LSR Vertical Injection Molding Machine for Air Filters
Double Slide Table Injection Plastic Molding Machine for Air Filters